力士乐型开关电磁铁 MFZ12-37YC
更新时间:2016-06-02
用途
本电磁铁适用于单相桥式全波整流的直流电源,电压至220V的控制电路中,作为液压电磁换向阀的动力元件。可配套于德国力士乐(REXROTH)六、十通径螺纹联结电磁换向阀。
正常工作条件
● 可任意方向安装。
● 使用环境中应无足以腐蚀金属和破坏绝缘的气体和尘埃。否则,可能影响产品寿命。
● 电磁铁适合长期工作制、断续周期工作制。
● 电源电压的合理波动范围为85%-110% (特殊要求可订货时提出)。
● 外壳防护等级为IP65。
产品参数
主要技术参数
型 号 | MFZ12-37YC |
额定电压(V) | 12 24 110 220 |
额定吸力(N) | ≥37 |
额定行程(mm) | 2.8 |
全行程(mm) | ≥6.1 |
消耗功率(W) | ≤30 |
承受静态油压(Mpa) | 21 |
操作频率 (T/h) | 12000 |
订货代号
阀用电磁铁 | 直流 | 设计序号 | 额定吸力(N) | 湿式 |
MF | Z | 12 | 37 | YC |
行程—力特性曲线
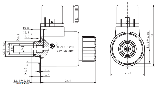
外形及安装尺寸
产品型号:MFZ12-37YC

使用注意事项
● 电磁铁采用符合ISO4400标准的插座。有带指示灯、不带指示灯两种规格,您可以根据需要进行选择。带指示灯插座的电压规格必须与电磁铁本体电压规格相符。
● 电磁铁的手动推杆用于在调试时或紧急情况下,进行手动控制。但当系统背压较高,调节困难时,请使用十字螺丝刀缓推手动推杆,不宜使用冲击力,以免破坏手动推杆和导向内孔表面,造成电磁铁漏油或不能复位。
● 当双向使用电磁铁时,一定要保证两个电磁铁不能同时通电,以免电磁阀不能正常工 作。
● 电气控制系统与电磁铁连接部分之间应设有过流保护装置,以免在非正常情况下,烧毁电磁铁及您的电控元件。
● 当电源为交流时,可以选用MFB12- YC交流本整型电磁铁,其性能和MFZ12- YC 完全相同。
样本说明
如顾客有不同的需要,在电磁铁性能不变的情况下,电磁铁与阀体的连接尺寸、推杆伸出长度及工作电源电压可以根据要求调整。
特性曲线仅供参考。
主要性能参数均为试验条件下获得。本公司保留修改参数的权力。


